Получите оптовую цену
При заказе от 5000 руб одного наименованияОплата по безналичному расчету
Счета от 1000руб.Диодный мост RS407
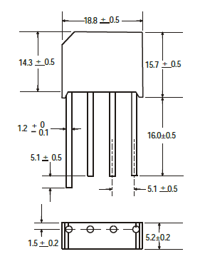
Артикул: 14294Технические характеристики на Диодный мост RS407 здесь
Количество на складе: 250
Цена: 26.52 руб.
От 99 шт — 20.4 руб.
От 246 шт — 19.18 руб.
| Марка | Кол-во шт. | Норма упаковки |
|---|---|---|
| RS407 | 250 | 50 |
Описание
Если Вы не нашли интересующую для Вас информацию на Диодный мост RS407,присылайте запрос, и мы постараемся предоставить наиболее развернутое описание с техническими характеристиками, с габаритными размерами, весом, маркировкой, а также возможностью подбора аналогичной продукции отечественного производства.
| Производитель : | SEP |
|---|---|
| Тип : | Диодный мост серии RS |
| Конфигурация : | 1 фазный |
| Тип монтажа : | Сквозной |
| Повторяющееся импульсное обратное напряжение, В : | 1000 |
| Максимальный прямой ток, А : | 4 |
| Падение напряжения, В : | 1 |
| Ударный прямой ток, А : | 120 |
| Ток утечки, мкА : | 5 |
| Диапазон рабочих температур : | -55…+150°С |
| Размер, мм : | 18,8 х 15,7 х 5,2 |
| Вес брутто : | 4.48 |
| Транспортная упаковка: размер/кол-во : | 49*26*19/2500 |
| Корпус : | KBL |
Принимаем заказы на товары, не вошедшие в каталог
Оформить заявку Пришлите маркировку необходимого вам товара. Мы предоставим Вам наилучшие условия по поставке!
