Получите оптовую цену
При заказе от 5000 руб одного наименованияОплата по безналичному расчету
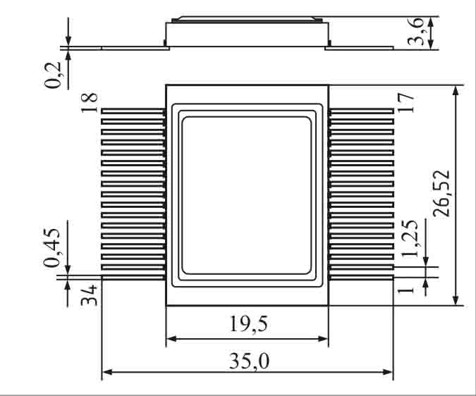
Счета от 1000руб.Микросхема 313НР310Т (201*г)
Артикул: 13317Количество на складе: 1
Цена: 6798.67 руб.
От 2 шт — 6390.75 руб.
Марка | Кол-во шт. | Норма упаковки |
---|---|---|
313НР310Т (201*г) | 1 | 1 |
Описание
Если Вы не нашли интересующую для Вас информацию на Микросхема 313НР310Т (201*г),присылайте запрос, и мы постараемся предоставить наиболее развернутое описание с техническими характеристиками, с габаритными размерами, весом, маркировкой, а также возможностью подбора аналогичной продукции отечественного производства.
Вес : | 4,5 г |
---|---|
Сопротивление : | 30+-5% кОм |
Коэффициент : | сопротивления температурный: не более +-80 |
Время : | установления выходного напряжения: 1 мкс |
Коэффициент деления: : | 0,5 |
Допускаемое отклонение : | коэффициента деления: +-0,025 |

Принимаем заказы на товары, не вошедшие в каталог
Оформить заявку Пришлите маркировку необходимого вам товара. Мы предоставим Вам наилучшие условия по поставке!