Получите оптовую цену
При заказе от 5000 руб одного наименованияОплата по безналичному расчету
Счета от 1000руб.Разъем 2РМГ14Б4Ш1Е2Б
Артикул: 31878Технические характеристики на Разъем 2РМГ14Б4Ш1Е2Б здесь
Количество на складе: 150
Цена: 3059.25 руб.
От 2 шт — 2875.7 руб.
| Марка | Кол-во шт. | Норма упаковки | 
|---|---|---|
| 2РМГ14Б4Ш1Е2Б | 150 | 1 | 
Описание
Если Вы не нашли интересующую для Вас информацию на Разъем 2РМГ14Б4Ш1Е2Б,присылайте запрос, и мы постараемся предоставить наиболее развернутое описание с техническими характеристиками, с габаритными размерами, весом, маркировкой, а также возможностью подбора аналогичной продукции отечественного производства.
| Производитель : | АТЛАНТ | 
|---|---|
| Количество контактов : | 4 | 
| Покрытие контактов : | Е - химникель | 
| Тип : | 2РМГ | 
| Корпус : | Б - корпус блочный (приборный) без левой резьбы | 
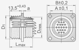
| Размер : | А - 17, В - 24, Lmax - 26,5, Dлев - М14*1 мм | 
| Часть соединителя : | Ш - вилка | 
| Вид : | Б - блочный (приборный) | 
| Сочетание контактов : | 1 | 
| Теплостойкость : | 2 - 200 °С | 
 
        Принимаем заказы на товары, не вошедшие в каталог
Оформить заявку Пришлите маркировку необходимого вам товара. Мы предоставим Вам наилучшие условия по поставке!

