Получите оптовую цену
При заказе от 5000 руб одного наименованияОплата по безналичному расчету
Счета от 1000руб.Разъем 2РМГД24Б10Ш5Е2
Артикул: 36365Технические характеристики на Разъем 2РМГД24Б10Ш5Е2 здесь
Количество на складе: 264
Цена: 3283.41 руб.
От 2 шт — 3086.41 руб.
| Марка | Кол-во шт. | Норма упаковки | 
|---|---|---|
| 2РМГД24Б10Ш5Е2 | 264 | 1 | 
Описание
Если Вы не нашли интересующую для Вас информацию на Разъем 2РМГД24Б10Ш5Е2,присылайте запрос, и мы постараемся предоставить наиболее развернутое описание с техническими характеристиками, с габаритными размерами, весом, маркировкой, а также возможностью подбора аналогичной продукции отечественного производства.
| Производитель : | АТЛАНТ | 
|---|---|
| Количество контактов : | 10 | 
| Покрытие контактов : | Е - химникель | 
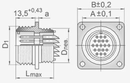
| Тип : | 2РМГД | 
| Размер : | А - 26, В - 33, Lmax - 26,5, Dлев - М24*1 мм | 
| Часть соединителя : | Ш - вилка | 
| Вид : | Б - блочный (приборный) | 
| Сочетание контактов : | 5 | 
| Теплостойкость : | 2 - 200 °С | 
 
        Принимаем заказы на товары, не вошедшие в каталог
Оформить заявку Пришлите маркировку необходимого вам товара. Мы предоставим Вам наилучшие условия по поставке!

