Получите оптовую цену
При заказе от 5000 руб одного наименованияОплата по безналичному расчету
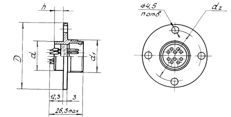
Счета от 1000руб.Разъем 2РМГС42Б30Ш2Е2
Артикул: 68507Технические характеристики на Разъем 2РМГС42Б30Ш2Е2 здесь
Количество на складе: 9
Цена: 1411.36 руб.
От 2 шт — 1085.66 руб.
От 5 шт — 1020.52 руб.
| Марка | Кол-во шт. | Норма упаковки | 
|---|---|---|
| 2РМГС42Б30Ш2Е2 | 9 | 1 | 
Описание
Если Вы не нашли интересующую для Вас информацию на Разъем 2РМГС42Б30Ш2Е2,присылайте запрос, и мы постараемся предоставить наиболее развернутое описание с техническими характеристиками, с габаритными размерами, весом, маркировкой, а также возможностью подбора аналогичной продукции отечественного производства.
| Условный размер корпуса : | 42 | 
|---|---|
| Количество контактов : | 30 | 
| Покрытие контактов : | Е - химникель | 
| Тип : | 2РМГС | 
| Корпус : | Б - блочный | 
| Часть соединителя : | Ш - вилка | 
| Сочетание контактов : | 2 | 
| Теплостойкость : | 200 °С | 
 
        Принимаем заказы на товары, не вошедшие в каталог
Оформить заявку Пришлите маркировку необходимого вам товара. Мы предоставим Вам наилучшие условия по поставке!

